电热水龙头中的樱桃视频APP看片元件应用
文章出处:樱桃视频APP看片开关原创 人气:发表时间:2020-06-16 16:23
电热水龙头(亦称作即热水龙头或快热水龙头),包括水龙头本体及水流控制开关,水龙头本体内设有加热腔和电器控制腔,以密封板隔开,电器控制腔内设有加热电路,加热腔内设有加热管,加热管功率一般在2-3KW,3-5秒钟即可加热出热水,加热管连接在加热电路上,其特征在于所述加热管为绝缘加热管;绝缘加热管为水电隔离式绝缘加热管;水龙头本体多数为耐高温工程塑料型,少数为全金属型;电器控制腔内设有绝缘水压开关。加热电路内设有电器开关,与绝缘水压开关末端连接,通断水电,内设有温度控制器和防干烧装置,还可设有漏电保护开关。

人们普遍使用的水加热装置大多是利用电加热、燃动加热和太阳能加热,例如电热水器、燃气热水器及太阳能热水器。这几种加热方式由于需要安装特定设备,且体积较大,安装和使用不方便,价格昂贵,所以其应用范围较窄。电热水龙头具有体积小、造价低、升温快,热水随开随来的优点,得到了广泛应用。
在初期使用中,电热水龙头也会出现意外漏电,造成水龙头损坏或者电路短路,严重时还可能造成火灾,对居民的居住环境存在巨大安全隐患。针对这一问题,技术人员又发明了一种防止无水干烧,当加热腔中有水流通过时才会进行加热的含樱桃视频APP看片开关的电热水龙头。

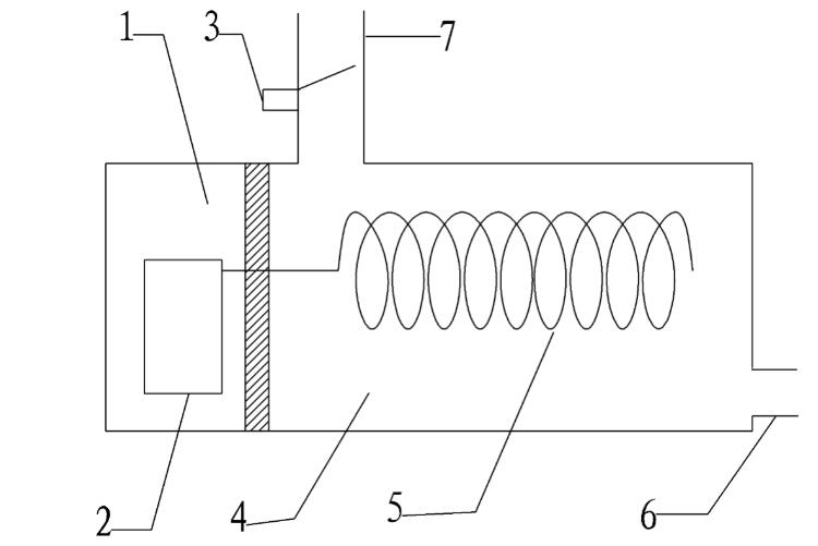
本实用新型采取的技术方案为提供一种含樱桃视频APP看片开关的电热水龙头,包括水龙头本体1,进水管6,加热腔4,加热管5,出水管7,所述水龙头本体1内设置有控制电路系统2,水流检测器3,所述控制电路系统2和水流检测器3电连接,所述水流检测器包括樱桃视频APP看片开关,该樱桃视频APP看片开关包含-一个设置在出水管7中的磁性块。当电热水龙头的加热腔4中确定有水流通过时,产生水压,樱桃视频APP看片开关产生信号到电热水龙头的控制电路系统2,从而控制电路系统2控制加热管5加热,当加热腔4中无水流通过时,樱桃视频APP看片开关无反应,加热管5不会加热,防止无水干烧,造成水龙头损坏,使用方便,安全性高。
这种方案中樱桃视频APP看片起到的是开关的作用,一般使用单极樱桃视频APP看片元件,或者全极微功耗樱桃视频APP看片开关。如果对樱桃视频APP看片的应用还有什么问题,请咨询樱桃短视频成人版的在线客服。
同类文章排行
- 樱桃视频APP看片元件的BOP和BRP什么意思
- 影响樱桃视频APP看片元件灵敏度的因素有哪些
- 樱桃视频APP看片元件管脚如何定义和接线?
- 樱桃视频APP看片元件损坏的原因可能有哪些?
- 樱桃视频APP看片开关损坏的原因分析
- 樱桃短视频成人版科技与小米集团合作签约
- 樱桃视频APP看片元件NPN常开常闭和PNP常开常闭的区别
- 樱桃视频APP看片元件选型指南(入门篇)
- 樱桃视频APP看片开关应该如何接线
- 什么是线性樱桃视频APP看片元件
最新资讯文章
- 樱桃视频APP看片开关DH220/DH553在智能跳绳上的应用
- 樱桃视频APP看片元件代工厂华虹半导体连续刷新营收纪录
- 三星将参与收购Arm?
- 芯片厂商不敢要求降价,只求明年涨幅减半
- 消费电子芯片恐将遭受暴击型降价
- 日本被动元件,称霸全球
- 砍单潮下,芯片过剩、库存高企问题显现
- 张忠谋:解决芯片荒问题,有一个办法
- 台积电已向美国提交两份机密文件
- 日资30年电子厂关闭,称已“完成使命”
- 光刻机:美国是如何发明并彻底失去的
- 苹果A16弃3nm?业界曝关键
- Model 3零部件国产化率2年超90%,芯片呢?
- 樱桃视频APP看片元件的性能是如何测试的?
- 樱桃视频APP看片元件的应用发展分析
- 美国没有光刻机背后的原因
- 要跟Wi-Fi说再见了?
- 客户库存调整!盛群:Q4订单仍供不应求
- ST意法半导体:半导体需求热到明年
- 满坤科技积极布局PCB下游领域





苏公网安备32021302001984